.........
boe
Profielfoto van Pietro e Calore
Pietro e Calore
Schouwersweg 5, 4451 HS Heinkenszand
maandag
Op afspraak -
dinsdag
Op afspraak -
woensdag
11:00 - 17:00
donderdag
11:00 - 17:00
vrijdag
11:00 - 17:00
zaterdag
10:00 - 14:00
zondag
Gesloten

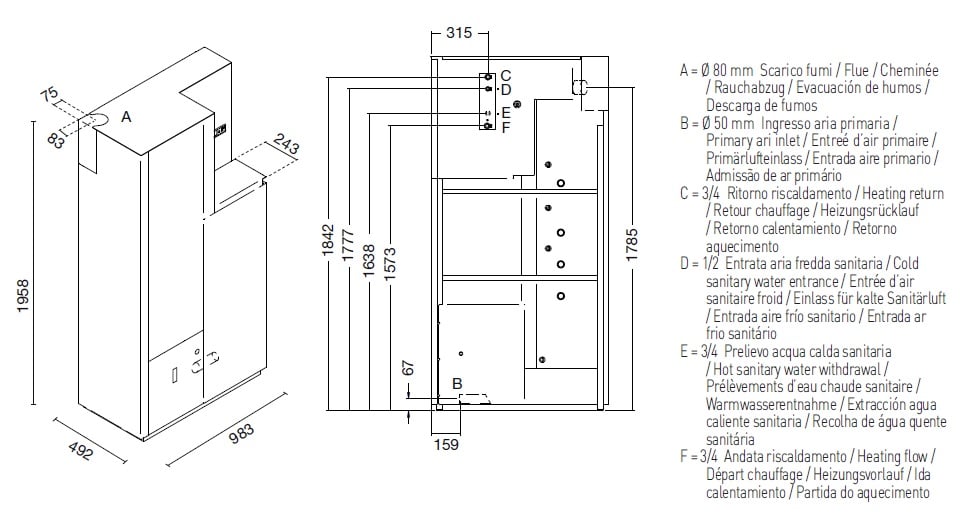
Evacalor Sola 15 – compacte all-in-one pelletketel

Evacalor Sola 15: compacte all-in-one pelletketel met 140L buffer, 75 kg voorraad en hoog rendement. Ideaal als vervanger van gas- of olieketel.

De Evacalor Sola 15 is een innovatieve pelletketel die verwarming en warm tapwater combineert in één compacte oplossing. Dankzij de geïntegreerde 140 liter interne buffer heb je geen losse boiler meer nodig. Dit maakt de Sola dé perfecte vervanger voor een traditionele gas- of olieketel.

Alles-in-één oplossing

De interne buffer levert direct warmte aan de cv-installatie en produceert warm tapwater via een efficiënte platenwisselaar (tot 6 liter per minuut). In de zomermaanden kan de buffer bovendien elektrisch worden verwarmd met het ingebouwde element – ideaal voor momenten waarop je geen pellets wilt gebruiken.

Slim ontwerp met grote capaciteit

Ondanks de compacte afmetingen beschikt de Sola 15 over een royale pelletvoorraad van 75 kg, waardoor je minder vaak hoeft bij te vullen. Het toestel is ontworpen voor installatie in kleinere ruimtes, zonder in te leveren op prestaties of comfort.

Kwaliteit en technologie

De Sola 15 is vervaardigd uit hoogwaardige componenten en uitgerust met de nieuwste technologieën. Dit garandeert een hoog rendement, gebruiksgemak en betrouwbaarheid.

Technische gegevens

Vermogen: 3,8 – 15 kW
Rendement: 92,3%
Interne buffer: 140 liter
Elektrisch element geïntegreerd
Pelletvoorraadtank: 75 kg
Afmetingen: 983 × 492 × 1958 mm
Gewicht: 240 kg
Rookafvoer Ø 80 mm
Luchtinlaat Ø 60 mm
Geschikt voor ruimtes: 220 – 320 m³
Optioneel: WiFi-module (€220)

Meer informatie

Voor meer informatie bezoek ook eens onze website: www.pietroecalore.nl.